教育方案
国内第一家小型化、原型化、场景化、标准化工业数字孪生平台厂商
飞行器模拟驾驶半实物实验平台
一、平台概述
飞行器模拟驾驶实验平台集成了飞行仪表仿真、飞行员模拟操控、飞行视景仿真、飞行实时仿真功能,可实现人在回路的飞行模拟驾驶实验。本实验台为飞行器设计和飞行器动力工程专业学生,在学习航空概论、航空仪表同时进行的配套实验课程,让学生比较真实的接触、体验航空仪表及功能显示。
飞行器模拟驾驶的特点及必要性:
1、对航空仪表进行虚拟显示,对飞行过程进行高逼真的模拟;
2、飞行模拟仿真是航空教学的重要手段,更直观清晰;
3、本系统支持接入真实的飞控计算机,从而实现“人在回路和飞控在回路”的同时验证,可作为飞控操纵参数调整的工程级验证设备。
二、特征优势
1、开放性
支持用户使用MWorks、Simulink自定义飞行器对象仿真模型,适用于创新型实验课程的开设;
2、生动性
实验平台与理论课程紧密结合,将枯燥的飞行器理论讲解与形象生动的模拟操控、视景仿真、数学模型实时仿真有机结合起来,增加实验课程的生动性,提供学习兴趣;
3、先进性
理论推导、数字仿真、实时仿真模拟到最后的实物实验,这是航空器研制过程中,普遍采用的工程级研发流程,通过本平台的使用,学生可以接触到当前主流航空企业的研发流程;
4、综合性
本平台可作为《航空航天概论》、《飞行控制技术》、《航空动力学》、《航空仪表设备》等多门课程的实验课,提高了设备的利用率,并适用于综合性实验课程的开设。
三、实验内容
❋航空座舱仪表认识 ❋飞机操纵舵面操作 ❋飞机飞行性能分析 ❋基于MWorks、Simulink的飞机数字仿真建模
❋飞机模型实时仿真 ❋实时模拟驾驶飞行(静态) ❋实时模拟驾驶飞行(动态)
四、实验示例
下面是基于小扰动方程的飞行仿真实验示例:
(1)实验目的
了解飞行器计算机仿真建模的主要原理和方法,通过编写飞机线化运动方程的计算机仿真模型,用给定的飞机数学模型和数据进行非实时特性仿真计算和实时人机交互仿真,感性认识和掌握飞行仿真的基本内容和实现方法。
(2)数学方程
(a)飞机纵向小扰动运动方程
(b)飞机横向小扰动运动方程
(3)仿真模型
(a)基于小扰动方程的飞行仿真模型
(b)飞行动力学模型
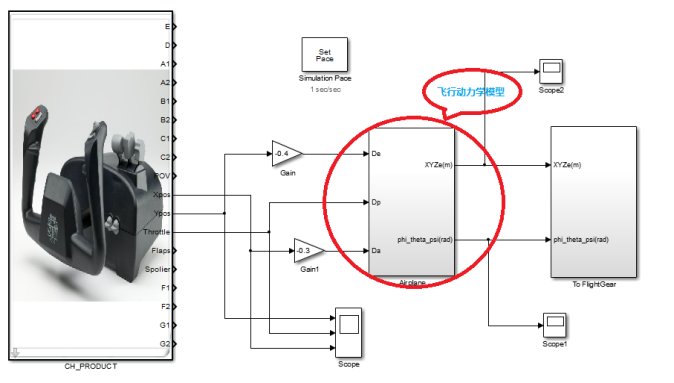
如上图所示,基于Matlab/Simulink搭建了小扰动方程的飞行仿真模型,该模型以飞行仿真摇杆作为操控输入,经飞行动力学模型仿真解算,最后将计算结果发送到视景仿真软件FlightGear进行三维动态显示。
五、选型配置
产品名称 | 产品型号 | 系统配置 | |
飞行器模拟驾驶实验平台(高配) | LINKS-ES-FS-03 | 实时仿真机 | Links-Box-02 |
六自由度飞行模拟舱 | Links-Flight-SDOF | ||
实时仿真软件包 | Links-RT | ||
飞行器模拟驾驶实验平台(中配) | LINKS-ES-FS-02 | 实时仿真机 | Links-Box-02 |
简易飞行模拟舱 | Links-Flight-Cabin | ||
六自由度飞行演示平台 | Links-SDOF-Demo | ||
实时仿真软件包 | Links-RT | ||
飞行器模拟驾驶实验平台(低配) | LINKS-ES-FS-01 | 实时仿真机 | RT-Cube |
六自由度飞行演示平台 | Links-SDOF-Demo | ||
实时仿真软件包 | Links-RT | ||
六、部分用户
❋北京航空航天大学 ❋山东航空学院 ❋空军工程大学 ❋中南大学 ❋西南交通大学 ❋西南交通大学 ❋海军航空大学 ❋空军航空大学 ❋中原工学院 ❋浙江大学
